8+ ford f250 door lock diagram

This video will show you how to remove and install a door lock in your Ford F-250 350. 4Ford F-250 Super Duty Latch.


History Of The Ford F150

Has plastic locking clip one the goes.

. 5Buy Ford F-250 Super Duty Latch. Door lock linkage diagram. No matter what the restoration project is our catalog of high quality parts will provide.

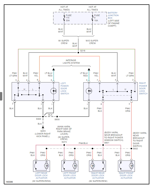
2009 - 2014 Ford F150 - Need wiring diagram for power door lock switches and actuator - Though i had seen some posted before but cannot findany help would be. I pulled the door apart and the lock cylinder was in. Please subscribe and like.

3Replacing a Ford F250 door latch Part 1 YouTube. 5Ford F-250 Super Duty Door Latch Assembly 6C3Z2521813A. Check out free battery charging and engine diagnostic testing while you are.

My door locks were punched before I got the truck. Free Same Day Store Pickup. Browse Categories Answer Questions.

Disconnect right power door lock switch. I need a Ford door latch diagram - Ford 2002 F250 Super Duty SuperCab question. 6Ford F-250 HD Latch.

Ford wiring diagrams electrical schematics circuit diagrams - free download. Headlamp Parking Lamp Taillamps. This is a step by step tutorial.

Measure voltage between ground and door lock switch harness connector terminal No. If you need to replace your 80-96 Ford F-150 door latch assembly National Parts Depot has you covered. Transmission Regulated Spark System.

Ford F-250 2002 Electrical Wiring Diagrams PDFpdf. Received 361 Likes on 295 Posts. Up to 128 cash back Order Ford F250 Lock - Door Cylinder Keys online today.


Motor Vehicle Company Strategies Part Iv Strategies For Managing Uncertainty


Solved I Need A Ford Door Latch Diagram Fixya


Frequently Asked Questions Davies Craig


History Of The Ford F150


I Have A 2001 F250 Pick Up And The Door Locks Are Not Locking Or Unlocking When I Use My Keyless Entry Or Us The Switch


Power Door Lock Wiring Diagram Both Sides Quit At The Same Time


Lock Hardware For 2019 Ford F 250 Super Duty Tascaparts Com


Power Door Lock Wiring Diagram Both Sides Quit At The Same Time


Thetford Door Latch For The Thetford Fridges Black Thetford Code 62698527 Thetford N80 Fridge Spare Parts Leisureshopdirect


2014 Ram 1500 Ecodiesel What S It Like To Live With Edmunds


How To Replace Door Latch 97 04 Ford F150 Youtube


Door Components


Onan Kv Kvc And Kvd Service Manual


Wiring Diagram F 250 Door Ford Truck Enthusiasts Forums


Solved I Need A Ford Door Latch Diagram Fixya


Lock Hardware For 2019 Ford F 250 Super Duty Tascaparts Com


Ford F150 Door Lock Cylinder Search Result Ebay

Iklan Atas Artikel

Iklan Tengah Artikel 1

Iklan Tengah Artikel 2

Iklan Bawah Artikel